page
Store Locator

Beaver BV100 G100 Lifting Chain

Product Code: MHBV100CH

Products to compare:
Comparing Products
Unit Description
Each
  • Description
  • Warranty, Return & Exchange Policy
  • Shipping Info

Beaver BV100 Grade 100 lifting chain is manufactured from the highest quality hardened and heat-treated alloy steel and then finished with an advanced blue phosphate coated finish for even greater longevity. The lifting chain is available in lengths from 8mm to 22mm. Grade 100 chain and components are largely used for chain slings due to their higher lifting capacity compared to Grade 80 chain. Beaver BV100 chain meets and exceeds AS2321 and is quality tested at the time of manufacture as well as when it lands in Australia[CD1] .

Features:
  • Superior resistance to wear due to heat treatment
  • High strength, versatile and low weight
  • 25% higher load capacity than Grade 80
  • 30% weight saving over Grade 80
  • Blue Electrophoresis surface treatment.
  • Self-lubricating for future oil-free maintenance.
Applications:
  • Overhead lifting slings
  • Chain slings assemblies
  • Designed for Single 2, 3 & 4  Leg Applications
Approved Standards:
    • Complies to AS 2321

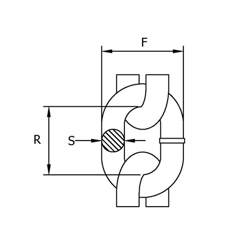
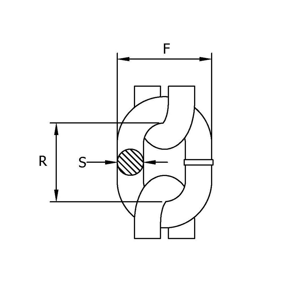
Product code Nominal Size WLL S R Finish m/100kg
CHAINBV100008MM 8mm 2.5t 8.2mm 24mm 27.5mm Blue Painted 70m/100kg
CHAINBV100010MM 10mm 4t 10.2mm 30mm 34.5mm Blue Painted 50m/100kg
CHAINBV100013MM 13mm 6.7t 13.2mm 39mm 45mm Blue Painted 26m/100kg
CHAINBV100016MM 16mm 10t 16.2mm 48mm 55.5mm Blue Painted 20m/100kg
CHAINBV100020MM 20mm 16t 20.2mm 60mm 68mm Blue Painted 12m/100kg
CHAINBV100022MM 22mm 19t 22mm 66mm 73.5mm Blue Painted 10m/100kg

For more information on our special pricing available bulk/pail sales, please contact our Customer Care team.

Warranty:

Returns will be accepted for faulty or defective goods and any other non-excludable obligations of Beaver Brands set out in The Competition and Consumer Act 2010, Schedule 2, Australian Consumer Law or similar State and Territory legislation.

Returns are subject to customer following Beaver Brands' recommended care and maintenance instructions which can be found on the garments swing tag. Beaver Brands garments found to be faulty will be replaced at no cost.

Items that are sourced from 3rd party distributors will carry their own manufacturer’s warranty.

Returns/Exchange Policy:

Beaver Brands to be notified within 7 days from receipt of order for any products that are to be returned/exchanged.

Before any items are returned the following steps need to be actioned:

  • Complete Return Authorisation Form (RAF)
  • Obtain a Return Authorisation Number
  • Forward the garments with the (RAF) form to the specified Beaver Brands branch
  • Goods will be inspected and credited off your account once approved

Please Note: Beaver Brands must approve all returns before they are forwarded back to the designated branch. These authorised returns must be freight prepaid and will only be accepted if they are in a saleable condition. Products specifically purchased, manufactured, machined or cut to size or to your company’s specification are not returnable unless prior approval has been given.

Please contact customercare@beaver.com.au to find out your FIS threshold.

Orders typically ship within 1 working day from our National Distribution Centre located in Erksine Park, NSW.

Technical Specifications
Category Brands
Category Grade 100
Category Lifting & Load Chain
Brand Material Handling