page
Store Locator

Beaver G70 Zinc Dichromate Transport Chain (Gold)

Product Code: MH1450

Products to compare:
Comparing Products
Unit Description
Each
  • Description
  • Warranty, Return & Exchange Policy
  • Shipping Info

Beaver G70 Transport Chain with a Zinc Di-chromate gold finish. Not to be used for lifting.

Safety Features:

  • Beaver G70 chain is high quality and has undergone stringent testing and quality control
  • All Grade 70 Chain and Fittings are clearly marked Grade 70 with lashing capacity and size of chain
  • The yellow chromate (gold) plating makes it easily recognisable from a distance
Applications:
  • Primarily used in lashing applications to tie down loads on transport equipment 
Approved Standards:
  • High Tensile to AS/NZS 4344
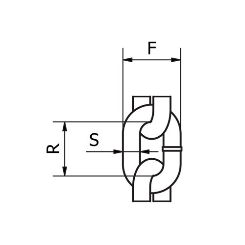
Product code Nominal Size Lashing Capacity S R F Finish m/100kg
145006 6mm 2.3t 6mm 18.5mm 20mm Zinc Dichromate 125m/100kg
145008 8mm 3.8t 8mm 24mm 28mm Zinc Dichromate 70m/100kg
145010 10mm 6t 10mm 30mm 35mm Zinc Dichromate 45m/100kg
145013 13mm 9t 13mm 39mm 45.5mm Zinc Dichromate 26.8m/100kg

Metres per drum are subject to + or - 10% on actual metreage.

For more information on our special pricing available bulk/pail sales, please contact our Customer Care team.

Warranty:

Returns will be accepted for faulty or defective goods and any other non-excludable obligations of Beaver Brands set out in The Competition and Consumer Act 2010, Schedule 2, Australian Consumer Law or similar State and Territory legislation.

Returns are subject to customer following Beaver Brands' recommended care and maintenance instructions which can be found on the garments swing tag. Beaver Brands garments found to be faulty will be replaced at no cost.

Items that are sourced from 3rd party distributors will carry their own manufacturer’s warranty.

Returns/Exchange Policy:

Beaver Brands to be notified within 7 days from receipt of order for any products that are to be returned/exchanged.

Before any items are returned the following steps need to be actioned:

  • Complete Return Authorisation Form (RAF)
  • Obtain a Return Authorisation Number
  • Forward the garments with the (RAF) form to the specified Beaver Brands branch
  • Goods will be inspected and credited off your account once approved

Please Note: Beaver Brands must approve all returns before they are forwarded back to the designated branch. These authorised returns must be freight prepaid and will only be accepted if they are in a saleable condition. Products specifically purchased, manufactured, machined or cut to size or to your company’s specification are not returnable unless prior approval has been given.

Please contact customercare@beaver.com.au to find out your FIS threshold.

Orders typically ship within 1 working day from our National Distribution Centre located in Erksine Park, NSW.

Technical Specifications
Category Beaver
Category Lashing Chain & Fittings
Brand Material Handling