page
Store Locator

Beaver G80 Clevis Shortening Grab Hook

Product Code: MH8862

Products to compare:
Comparing Products
Unit Description
Each
  • Description
  • Warranty, Return & Exchange Policy
  • Shipping Info

Beaver Grade 80 lifting components are manufactured from heat treated alloy steel and are ideal for heavy lifting applications. This master link is designed for both 1, 2, 3, and 4 leg chain sling configurations.

Quality testing in done throughout the manufacturing process. These components also carry distinguishing marks for easy identification.

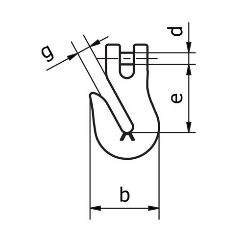
Product code Chain Size WLL e b d g Approx Weight
886206 6mm 1.1t 45mm 45.7mm 7.6mm 8.3mm 0.25kg
886207 7-8mm 2t 53.3mm 50mm 9mm 10.5mm 0.28kg
886210 10mm 3.2t 75.5mm 72mm 12.5mm 10.5mm 0.73kg
886213 13mm 5.3t 92mm 96mm 16mm 16.5mm 1.6kg
886216 16mm 8t 99mm 112.5mm 19.7mm 19mm 2.8kg
886220 20mm 12.5t 122.7mm 143mm 24mm 24mm 4kg
886222 22mm 15t 126mm 143.5mm 26mm 27mm 72kg

For more information on our special pricing available bulk/pail sales, please contact our Customer Care team.

Warranty:

Returns will be accepted for faulty or defective goods and any other non-excludable obligations of Beaver Brands set out in The Competition and Consumer Act 2010, Schedule 2, Australian Consumer Law or similar State and Territory legislation.

Returns are subject to customer following Beaver Brands' recommended care and maintenance instructions which can be found on the garments swing tag. Beaver Brands garments found to be faulty will be replaced at no cost.

Items that are sourced from 3rd party distributors will carry their own manufacturer’s warranty.

Returns/Exchange Policy:

Beaver Brands to be notified within 7 days from receipt of order for any products that are to be returned/exchanged.

Before any items are returned the following steps need to be actioned:

  • Complete Return Authorisation Form (RAF)
  • Obtain a Return Authorisation Number
  • Forward the garments with the (RAF) form to the specified Beaver Brands branch
  • Goods will be inspected and credited off your account once approved

Please Note: Beaver Brands must approve all returns before they are forwarded back to the designated branch. These authorised returns must be freight prepaid and will only be accepted if they are in a saleable condition. Products specifically purchased, manufactured, machined or cut to size or to your company’s specification are not returnable unless prior approval has been given.

Please contact customercare@beaver.com.au to find out your FIS threshold.

Orders typically ship within 1 working day from our National Distribution Centre located in Erksine Park, NSW.

Technical Specifications
Category Beaver
Category Grade 80
Brand Material Handling