page
Store Locator

Beaver Grade L Galvanised Short Link Chain

Product Code: MH1433

Products to compare:
Comparing Products
Unit Description
Each
  • Description
  • Warranty, Return & Exchange Policy
  • Shipping Info

Beaver Grade L chain is manufactured from Grade 30 low carbon steel, and complies with the requirements of AS 2321. This short-link chain is generally used for moorings, anchor chain, and other marine applications, but is not recommended for lifting.

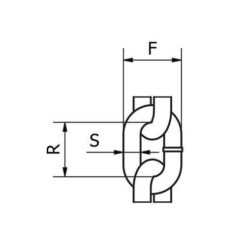
Product code  Nominal Size WLL S R F Finish m/100kg
143306 6mm 0.4t 6.3mm 18.8mm 21.6mm Galvanised 110m/100kg
143308 8mm 0.64t 8mm 23.8mm 27mm Galvanised 69.9m/100kg
143310 10mm 1t 10mm 29.8mm 34.3mm Galvanised 43.9m/100kg
143313 13mm 1.7t 13mm 38.8mm 44.6mm Galvanised 26.3m/100kg
143316 16mm 2.58t 16mm 47.8mm 54.8mm Galvanised 17.5m/100kg
143320 20mm 4.03t 20mm 59.2mm 68.5mm Galvanised 11.1m/100kg

Metres per drum are subject to + or - 10% on actual metreage.

For more information on our special pricing available bulk/pail sales, please contact our Customer Care team.

Warranty:

Returns will be accepted for faulty or defective goods and any other non-excludable obligations of Beaver Brands set out in The Competition and Consumer Act 2010, Schedule 2, Australian Consumer Law or similar State and Territory legislation.

Returns are subject to customer following Beaver Brands' recommended care and maintenance instructions which can be found on the garments swing tag. Beaver Brands garments found to be faulty will be replaced at no cost.

Items that are sourced from 3rd party distributors will carry their own manufacturer’s warranty.

Returns/Exchange Policy:

Beaver Brands to be notified within 7 days from receipt of order for any products that are to be returned/exchanged.

Before any items are returned the following steps need to be actioned:

  • Complete Return Authorisation Form (RAF)
  • Obtain a Return Authorisation Number
  • Forward the garments with the (RAF) form to the specified Beaver Brands branch
  • Goods will be inspected and credited off your account once approved

Please Note: Beaver Brands must approve all returns before they are forwarded back to the designated branch. These authorised returns must be freight prepaid and will only be accepted if they are in a saleable condition. Products specifically purchased, manufactured, machined or cut to size or to your company’s specification are not returnable unless prior approval has been given.

Please contact customercare@beaver.com.au to find out your FIS threshold.

Orders typically ship within 1 working day from our National Distribution Centre located in Erksine Park, NSW.

Technical Specifications
Category Beaver
Category Grade L Chain
Category Short Link Chain
Brand Material Handling