page
Store Locator

Beaver Metric Shouldered Eye Nuts to DIN 582

Product Code: MH5592

Products to compare:
Comparing Products
Unit Description
Each
Downloads
Data Sheet
  • Description
  • Warranty, Return & Exchange Policy
  • Shipping Info

Beaver lifting eyebolts and eyenuts come in a range of threads, including BSW, UNC, and Metric, and are predominately used for lifting applications. This eyenut is rated to DIN 582.

Product Code Size (mm) WLL Transverse Load Tonne Finish Weight
359208 8mm 0.14t 0.03 Zinc Dichromate 0.05kg
359210 10mm 0.23t 0.06 Zinc Dichromate 0.09kg
359212 12mm 0.3t 0.07 Zinc Dichromate 0.16kg
359216 16mm 0.7t 0.17 Zinc Dichromate 0.24kg
359220 20mm 1.2t 0.3 Zinc Dichromate 0.36kg
359222 22mm 1.5t 0.37 Zinc Dichromate 0.58kg
359224 24mm 1.8t 0.45 Zinc Dichromate 0.72kg

It is recommended that all eyebolts used for lifting be of forged steel, and be equipped with shoulders, or collars. The plain or shouderless eyebolt is fine for vertical loading but as soon as it is loaded at an angle it is subjected to bending and the load it can safely carry is reduced.

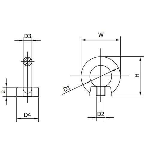
Product Code Size (mm) W H D1 D2 D3 D4 E
359208 8mm 36mm 36mm 20mm 8mm 8mm 20mm 8.5mm
359210 10mm 45mm 45mm 25mm 10mm 10mm 25mm 10mm
359212 12mm 54mm 52mm 30mm 12mm 12mm 30mm 11mm
359216 16mm 63mm 61mm 35mm 16mm 14mm 35mm 13mm
359220 20mm 72mm 70mm 40mm 20mm 16mm 40mm 16mm
359222 22mm 81mm 80mm 45mm 22mm 18mm 45mm 19.4mm
359224 24mm 90mm 90mm 50mm 24mm 20mm 50mm 20mm

For more information on our materials handling range, please contact our Customer Care team.

Warranty:

Returns will be accepted for faulty or defective goods and any other non-excludable obligations of Beaver Brands set out in The Competition and Consumer Act 2010, Schedule 2, Australian Consumer Law or similar State and Territory legislation.

Returns are subject to customer following Beaver Brands' recommended care and maintenance instructions which can be found on the garments swing tag. Beaver Brands garments found to be faulty will be replaced at no cost.

Items that are sourced from 3rd party distributors will carry their own manufacturer’s warranty.

Returns/Exchange Policy:

Beaver Brands to be notified within 7 days from receipt of order for any products that are to be returned/exchanged.

Before any items are returned the following steps need to be actioned:

  • Complete Return Authorisation Form (RAF)
  • Obtain a Return Authorisation Number
  • Forward the garments with the (RAF) form to the specified Beaver Brands branch
  • Goods will be inspected and credited off your account once approved

Please Note: Beaver Brands must approve all returns before they are forwarded back to the designated branch. These authorised returns must be freight prepaid and will only be accepted if they are in a saleable condition. Products specifically purchased, manufactured, machined or cut to size or to your company’s specification are not returnable unless prior approval has been given.

Please contact customercare@beaver.com.au to find out your FIS threshold.

Orders typically ship within 1 working day from our National Distribution Centre located in Erksine Park, NSW.

Downloads
Data Sheet
Technical Specifications
Category Beaver
Category Eyebolts & Eyenuts
Brand Material Handling